Автор Тема: Простой репитер на базе Моторол GM/CM  (Прочитано 8614 раз)

0 Користувачів і 1 Гість дивляться цю тему.

Offline UR8US

Простой репитер на базе Моторол GM/CM
« : Травень 31, 2017, 11:22:05 »
Состав репитера:

1) 2 радиостанции Моторола CM140, CM340, GM 340, GM350 и подобных. Лучше всего на прием использовать GM340 или похожую станцию с хорошими параметрами по приему. Например, на прием - GM340, на передачу - CM340.

2) Блок питания. Рекомендую импульсные блоки MeanWell на 13.8 вольт (обычно регулируются в пределах 12-15 вольт), с максимальным током не менее 10 ампер. Дешевые аналоги не рекомендую, они не надежны. БП нужно соединять с радиостанциями, особенно с передатчиком, как можно более толстыми проводами - хорошо подойдут провода их комплекта самих радиостанций.

3) Дуплексный фильтр. Для 70-сантиметрового диапазона хорошо идут бу-шные фильтры Радиан, Celwave. Лучше всего, если фильтр был изготовлен для разноса 5-10 МГц, тогда для наших целей с разносом 7.6 МГц он будет работать с меньшими потерями. Фильтры, изготовленные для разноса 15 МГц, в принципе, тоже неплохо перестраиваются для наших задач. У радиостанций большой запас по чувствительности на прием и по мощности на передачу.

Дуплексный фильтр подключается к радиостанциям при  помощи "джамперов" из кабеля RG-223 (в идеале) или хорошего RG-58. В Киеве хорошие кабели и разъемы продает mobil.com.ua, они же высылают по Новой Почте.

Выход дуплексного фильтра отрезком такого же кабеля подключается к гнезду типа N, установленному на задней панели корпуса.

4) Вентилятор с контроллером. Рекомендую недорогую плату термоконтроллера W1209. Ищется в Гугле по названию, покупается с пересылкой по Новой Почте. Вентилятор от компьютерного БП, 12-вольтовый. Лучше всего, конечно, ставить параллельно 2 вентилятора: один дует непосредственно на радиатор передатчика, второй - вытягивает горячий воздух их корпуса. Контроллер настраивается так, чтобы вентилятор запускался при 50 градусах, выключался при 40. Датчик температуры прижимаем к радиатору передатчика, лучше еще смазать термопастой.

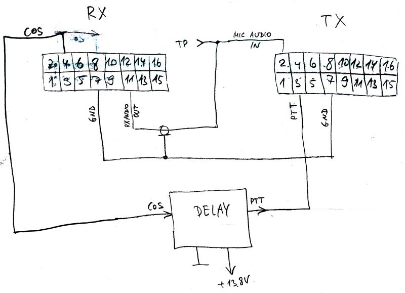
5) Соединительный кабель между радиостанциями. Очень желательно использовать экранированный провод для соединения звукового выхода приемника со входом передатчика. Этот же сигнал нужно вывести на тестовый контакт, куда будет удобно в процессе настройки подключать измерительные приборы. Фирменные мотороловские разъемы и контакты к ним продаются на Диджикее, номера 104422-1-ND и A3007-ND. Вместо них с успехом можно использовать обычные 16-контактные колодки (2 ряда по 8 контактов) с шагом 2.5 мм. У некоторых радиостанций стоит 16-контактный разъем, а у других - 20 контактный, из которых используются внутренние 16 выводов (при этом первый вывод расположен не с краю).

6) Узел задержки отключения PTT. Собран на широко известной микросхеме 555. Делает задержку примерно 5 секунд, которую можно изменить подбором элементов. Схема собирается, лучше всего, на отрезку макетной платы. Разумеется, такой простой узел задержки не заменит более сложного контроллера, который генерирует CW ID, управляется DTMF-ом и т.п.

7) Корпус. Хорошо подходят стальные коробки под 19-дюймовую стойку формата 2U. На передней панели можно разместить выключатель питания и светодиод-индикатор включения, на задней панели - разъем питания под компьютерный шнур, разъем N-типа для подключения антенны. Напротив регулировочных болтов дуплексера я рекомендую просверлить в корпусе отвертстия, через которые можно будет сделать его тонкую подстройку (но не сильно обязательно это делать).

Соединение радиостанций между собой и с узлом задержки:
 

Подключение терморегулятора:
 

Схема узла задержки:
 


Распиновка 16-контактного разъема:
 

Распиновка 20-контактного разъема:
 
« Останнє редагування: Січень 25, 2021, 14:38:27 від UT5UKA »