Автор Тема: Дистанционный сброс репитера или цифрового узла на базе Моторол  (Прочитано 6144 раз)

0 Користувачів і 1 Гість дивляться цю тему.

Offline UR8US

  • Global Moderator
  • *****
  • Topic Author
  • Повідомлень: 435
  • Karma: +14/-0
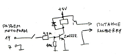
Для полного счастья в узле на базе MMDVM мне не хватало возможности дистанционного сброса (через эфир) на случай, если контроллер узла зависнет намертво.

Радиостанции фирмы Моторола, которые я применял (CM140, CM340, GM340, GM350), обладают многими обычно не используемыми возможностями, которые как раз подходят для решаемой задачи.

Виктор UX0KM подсказал, как быть. Для этого в Моторолу зашиваем цифровой DPL-шумодав - последовательность из трех цифр. Как только сигнал с такими параметрами появляется в эфира, радиостанция дергает ногу на разъеме, расположенном на задней панели.

Схема проста. С 14-й ноги разъема сигнал идет на транзисторный ключ, который клацает электромагнитным реле. Выключатель на схеме полезен для экспериментов при наладке узла, чтобы контроллер лишний раз не сбрасывался.

 


При программировании радиостанции сперва конфигурируем 14-й вывод, как выход обнаружения цифрового сигнала.

 


Затем в персоналиях устанавливаем тип шумодава - DPL, и код - к примеру, 506.

 

У меня сигнал на прием берется с 11-го вывода разъема на задней панели, который сконфигурирован как Flat Unsquelched , поэтому настройка шумодава никак не влияет на прием из эфира.

В портативной радиостанции я сделал один канал - киллер. Если переключиться на него и нажать на передачу, то реле клацнет и выключит питание контроллера. Как только передача будет отпущена, питание возобновится.
« Останнє редагування: Січня 25, 2021, 19:12:19 від UT5UKA »
 

Offline SkyLine

  • Sr. Member
  • ****
  • Повідомлень: 262
  • Karma: +3/-0
Если "часто дергать" Raspberry по питанию, можно повредить ФС на флешке (ужо такое было  :-( ).
У Raspberry pi есть аппаратный WatchDog, а также выведен Hard Reset (Hakc 17), их можно попробовать задействовать.
 

Offline UR8US

  • Global Moderator
  • *****
  • Topic Author
  • Повідомлень: 435
  • Karma: +14/-0
Согласен, лучше дергать аппаратный ресет.

Тем не менее, если процессор в глубоком зависоне, или же в системе присутствует несколько процессоров (в нашем случае - Расбери или Орендж и модем ММДВМ), то как раз выключение питания имеет бОльшие шансы вернуть аппарат к жизни. Просто так дергать не будем.
 

Offline sirrosh

  • Hero Member
  • *****
  • Повідомлень: 714
  • Karma: +5/-0
Цитата: "SkyLine" post=24817
Если "часто дергать" Raspberry по питанию, можно повредить ФС на флешке (ужо такое было  :-( ).

Адекватно сконфигуренной embedded-системе на Linux настолько не нужен, что даже вреден rw доступ к флешам. Все изменяемое дожно находиться на tmpfs, остальное ro.
Нерекомендуемый, но допустимый вариант (когда лень или не хватает опыта морочиться со связкой romfs+tmpfs) - монтировать в синхронном режиме.